Blower Info & Dimensions
Technical Reference Library
Browse Whipple supercharger dimension drawings and download printable PDF reference sheets for each model. Use the quick jump menu below to move directly to the blower you need.
Supercharger Dimensions
W100AX Supercharger
Dimension drawing preview with downloadable PDF reference sheet.
Supercharger Dimensions
W140AX Supercharger
Dimension drawing preview with downloadable PDF reference sheet.
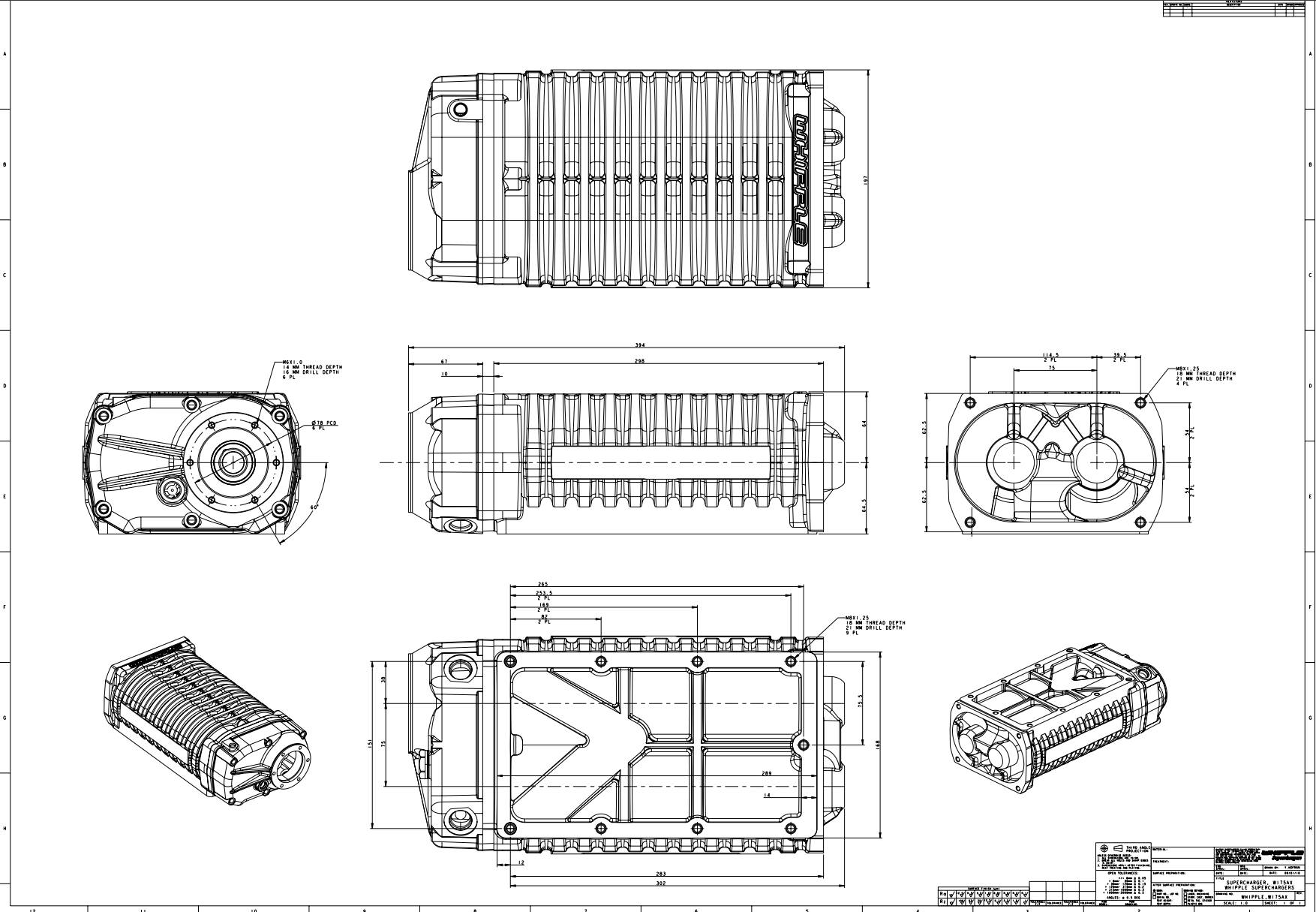
Supercharger Dimensions
W175AX Supercharger
Dimension drawing preview with downloadable PDF reference sheet.
Supercharger Dimensions
W185AX Supercharger
Dimension drawing preview with downloadable PDF reference sheet.
Supercharger Dimensions
W200AX Supercharger
Dimension drawing preview with downloadable PDF reference sheet.
Supercharger Dimensions
W235AX Supercharger
Dimension drawing preview with downloadable PDF reference sheet.
